
除了国际通用语言“英语”之外,还有一件事你的朋友可能不知道,那就是“形状和位置公差”,这是一种贯穿制造设计、生产、质量管理等部门的国际“语言”。
“理想与现实之间的差距”
只要是我们制造的产品,无论使用多么精密的设备,无论付出多大的努力,它的尺寸和形状都不能完全满足理论数值要求。
那么它能在多大程度上接近理论的形状和位置呢?我们用数值来表示相似度,即形状公差和位置公差,简称“形状和位置公差”。
单击添加图片说明(最多60个字符)
一篇文章了解14个几何公差,这就是破解机器的密码
在设计时,零件的形状和位置公差必须按照规定的标准符号标注在图纸上,以传达信息。
形状和位置公差的标准化
随着全球化的发展,生产领域的国际分工与合作不断深化。然而,各国之间的相互联系和不同的生产习惯存在困难。如何解决提高生产精度和保证互换性以降低成本的问题?形状和位置公差的国际标准急需统一。
1950年:工业化国家向ISO组织提出了“ABC提案”,统一了形式和位置公差的概念和文本表示方法。
1969年:ISO组织正式发布了形式和位置公差标准ISO/R1101-Ⅰ:

1969:“形状和位置公差第一部分:介绍、符号和图形表示。”
1978~1980年:ISO组织推荐的形状和位置公差试验原理和方法;1980年,中国正式重新加入ISO组织,颁布了形状和位置公差基本标准。
1996年:ISO组织制定了专门的ISO/TC213《产品几何技术规范(GPS)》技术委员会,负责几何公差和图纸符号的国际统一。
经过许多国家的长期共同努力,我们终于有了这个国际统一的14项公差符号。在这里,它是下表,赶快收集它~

形状公差
01平直度
直线度,也就是通常所说的直线度,是指零件上直线元件的实际形状保持理想直线的程度。直线度公差是实际直线相对于理想直线所允许的最大变化量。
▲模式例1:在给定平面上,公差区必须在两条平行直线之间的距离为0.1mm的区域。

▲图案例2:公差值前加φ标记,公差区必须在直径0.08mm的圆柱面区域内。
02平坦
平整度,也就是通常所说的平整度,代表了零件的平面要素的实际形状,保持了一个理想的平面。平面度公差是实际表面与理想平面的最大允许偏差。


▲模式示例:公差区是两个平行平面之间的距离为0.08mm的区域。
03圆度
圆度,也就是通常所说的圆度,表示零件上圆元件的实际形状与其中心保持等距。圆度公差是指在同一截面上,实际圆与理想圆所允许的最大偏差。

▲图案示例:公差区必须在同一截面上,半径差为两个同心圆之间的面积,公差值为0.03mm。
04圆柱度
圆柱度是指零件圆柱面轮廓上的点,其轴线保持等距。圆柱度公差是实际圆柱面相对于理想圆柱面所允许的最大变化。

▲模式示例:公差区是两个同轴圆柱面之间半径差为0.1mm的区域。
大纲宽容
05线路轮廓
线条轮廓是指在给定平面上任意形状的曲线保持其理想形状的条件。线条轮廓公差是指非圆曲线的实际轮廓线的允许变化量。

▲图案示例:容差区是两个包络之间的区域,包络一系列直径公差为0.04mm的圆。这些圆的中心位于具有理论上正确的几何形状的直线上。
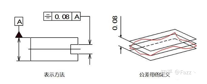
06面部轮廓
表面轮廓是零件上任意形状的曲面保持其理想形状的条件。表面轮廓公差是指非圆曲面的实际轮廓线,以及对理想轮廓面的允许变化量。

▲图案示例:公差区位于两个包膜之间,包膜一系列直径为0.02mm的球。球的中心理论上应该位于理论上正确的几何形状的表面上。
定向公差
07年的并行性
平行度,通常被称为平行度,表明被测部件的实际元素与参考点保持等距。平行度公差是被测元件的实际方向与与参考平行的理想方向之间允许的最大变化量。

▲模式示例:若公差值前加φ标记,则公差区为直径为φ0.03mm的圆柱面内的参考平行线。
08年垂直度
垂直度,即通常所指的两个元件之间的正交度,表示零件上的被测元件相对于参考元件保持正确的90°角。垂直度公差是被测元件的实际方向与垂直于基准的理想方向之间允许的最大变化量。

▲图例说明:公差区前加φ标记,公差区垂直于圆柱面,参考面直径为0.1mm。

▲图例说明:公差区必须位于两个平行平面之间,距离为0.08mm,并垂直于参考线。
09年的倾向
倾斜是零件上两个元素的相对方向保持任何给定角度的正确条件。倾角公差是在给定的基准角度下,被测元件的实际方向与理想方向之间允许的最大变化量。

▲图例说明:被测轴的公差区是两个平行平面之间的距离为0.08mm,与参考平面a的理论夹角为60°的区域。

▲图例说明:公差值前加φ标记,公差区必须位于直径为0.1mm的圆柱形表面。公差带应平行于与基准面A垂直的平面B,并与基准面A成理论上正确的60°角。
定位公差
10度位置
位置度表示零件上的点、线、面积和其他元素相对于其理想位置的精度。位置公差是被测元件的实际位置相对于理想位置的最大允许变化。

▲图例说明:在容差区前方加Sφ标记时,容差区为球内直径0.3mm的区域。球公差区中心点的位置是相对于参考A、B、C的理论正确尺寸。
11同轴(同心)度
同轴度,通常被称为同轴度,表示零件的测量轴相对于参考轴保持在同一条直线上的情况。同轴度公差是被测实际轴相对于参考轴的允许变化。

▲同轴度公差图例:标注公差值时,公差区为直径为0.08mm的圆柱体之间的区域。圆公差带的轴线与基准面一致。
12个对称
对称是指零件上两个对称的中心元素保持在同一中心平面上的状态。对称公差是实际元件的对称中心平面(或中心线、轴线)相对于理想对称平面的允许变化量。

▲图例说明:公差区是相对于参考中心平面或中心线对称布置的两个平行平面或直线之间相距0.08mm的区域。
跳宽容
13圈打
圆跳动是指零件上的旋转表面在定义的测量平面内相对于参考轴保持一个固定的位置。圆跳动公差是在有限的测量范围内允许的最大变化量,当被测量的实际元件绕参考轴旋转一圈而不进行轴向运动时。

▲图例说明1:公差区是垂直于任意测量平面的两个同心圆之间,半径差为0.1mm,圆心在同一参考轴上的区域。

▲图例说明2:公差区是测量筒上与基准同轴的任意径向位置上两个圆之间距离为0.1mm的区域。
14全速
全跳动是指零件绕参考轴连续旋转时沿整个被测表面的跳动量。总跳动公差是当被测实际元件绕参考轴连续旋转而指示器相对于其理想轮廓移动时所允许的最大跳动。

▲图例说明1:公差带是两个圆柱面之间的距离为半径差0.1mm且与基准同轴的区域。

▲图例说明2:容差区是两个平行平面之间的半径差为0.1mm且垂直于基准的区域。