
改革开放以来,我国引进了大量的国外设备、图纸等技术资料,许多发达国家对机械图案的投影方法与我国使用的不同。为了更好地学习发达国家的先进技术,有必要快速了解国外的机械图纸。
1. 概述
在当今世界,ISO国际标准规定,第一个和第三个角度的投影是同样有效的。各国根据本国国情有自己的优先事项。其中,俄罗斯、乌克兰、德国、罗马尼亚、捷克、斯洛伐克、东欧等国家主要采用第一角度投影,而美国、日本、法国、英国、加拿大、瑞士、澳大利亚、荷兰等国家主要采用第三角度投影。解放前,我国还采用第三角度投影,建国后改为第一角度投影。在进口的国外机械图纸和科学书籍中经常会遇到三角投影。ISO国际标准规定了第一个角和第三个角的投影标记(图1和图2)。在标题栏中,有标记的符号。根据这些符号,可以识别出绘制方法,但有些图纸没有投影标记。

图1第一个角度绘制标记符号

图2第三个三角形绘制标记符号
2第三个三角形的投影
将空间以正面平面V、水平面H、侧面平面W划分为八个区域,分别为第一、第二、第三、第四、第五、第六、第七、第八个子角,如图3所示。
图片

2.1将物体置于第一个角度投影称为第一个角度投影,也称为E法——欧洲法。
2.2物体在第三个角度的投影称为第三角投影,又称A法——美国法。
我国采用第三角投影法。
第三种三角投影是一种假想的方法,将物体放置在透明的玻璃盒子中,以玻璃盒子的每一面作为投影面,根据人、脸、物体的位置进行正交投影,得到图形,如图4、图5所示。

图4和图5
2.3六个基本视图在第三个三角形投影中的位置
ISO国际标准规定,在第三角度投影中,六个基本视图的位置如图6所示。

图6
上述视图是通过将物体投影到封闭矩形(透明)的每个投影表面上而获得的。“投影盒子”。
每一个视图都可以理解为:当观察者的视线垂直于相应的投影平面时,他所看到的物体的实际图像。
前视是观察者假设自己在物体的前方,逐点移动眼睛所获得的物体的前投影,视线始终垂直于一个想象的垂直投影面(透明)。其他视图也可以类似地使用。得到的。
读者应该始终将视图视为对象本身的一个侧面。从正面视图,您可以看到对象的高度和宽度,以及对象的顶部,底部,左侧和右侧的位置。俯视图显示对象的深度和宽度。
2.4第三三角形投影的优点
(1)视图配置更好,便于识别
观景方向直接反映在各视图之间,方便观景和绘图。左视图在左边,右视图在右边。第一个角度投影有时用“视图”来弥补不清楚的部分。
(2)容易想象物体的空间形状
左右视图朝内,顶视图朝下,便于想象物体的形状。
(3)绘制侧视图方便
物体的空间形状很容易想象,这直接有助于在绘制轴向图时想象物体的形状。
(4)有利于表达零件的细节
相邻图排列在附近,一般不需要单独标记,如图7所示。

图7
(5)尺寸等标注比较集中。
3主要国家线宽对比(表1)

4. 介绍几个国家的机械制图标准
4.1美国标准(ANSI)
美国只要求使用第三角投影(偶尔在建筑图纸和结构图上也使用第一角投影,但必须注明)。
视图布局有两种类型,第一种与ISO国际标准相同,如图6所示。第二个如图8所示。

图8
美国标准中的尺寸标注方法:美国图纸中的尺寸很少以毫米计量,一般是英寸(1英寸= 25.4毫米)。最初,以分数表示的英寸数,如9/16英寸等,在1966年十进制之后被改变,以十进制形式书写。当数值小于1时,小数点前不写0,建议横写。对于公差尺寸的上下偏差,注意与基本尺寸相同的小数点,如或。对于6英尺以上的尺寸,应注明英寸符号,如“12’7”。
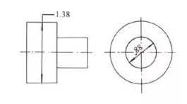
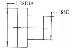
(1)直径、半径、球码
①当视图以圆的形式清晰反射时,不标注直径代号DIA (diameter)或D,如图9所示;当只有一个非圆形视图时,在尺寸号之后添加直径代码DIA或D,如图10所示。

图9

图10
②半径号后不加半径码R(半径)。当在不反映半径和弧的真实形状的视图中标记半径尺寸时,在半径尺寸号后需要编码TRUER (TRUE radius) (TRUE R)。对于球体代码,在尺寸号之后添加代码SPHER DIA(球直径)或SPHERR (SPHER RADIUS)(球半径)。
(2)弦长(chord)和弧长(arc)的注射方法如图11所示。

图11
(3)槽CHAM (CHAMBER)如图12所示。

图12
(4)埋头如图13所示。

图13
(5)键槽如图14所示。

图14
(6)螺纹标记如图15所示。

图15
4.2日本标准(JIS)
画图表示方法与美国相似。一般采用第三角投影法。原则上,第一种和第三种角度绘制方法不应在同一幅图中混合。必要时,两种画法可以局部混合,但必须用箭头表示另一幅画的投影方向。
日本标准尺寸标注方法:
(1)直径、半径、正方形、球体的编码
当图中有直径、半径、方形或球形直径和半径时,在尺寸号前加φ、R、□。图清楚时,φ、R、□可省略。
(2)倒角
一般与我国相同,45°倒角可用字母“C”表示,如图16所示,C2相当于2×45°,C3相当于3×45°。
(3)不画板厚时,可加字母“t”,如图16、t10所示,在我国相当于δ=10。
(4)用“P”表示铆钉孔间距,如:P=100、P=98(表示孔间距为100或98)。
(5)孔的大小可在数字后注明其他内容
①盲孔,如图17所示。加工方法的说明通常在尺寸号后标明,如:“深”(表示深度)、“钻”(表示钻孔)等。
②螺纹绘制方法与我国类似,其标注形式如图18所示。

4.3英国标准(BS)
视图表达方法与ISO国际标准基本相同,量纲标注方法与我国国家标准(GB)基本相同。单位也是mm,尺寸引线与外形之间有间隙(约1mm)。在横断面视图中,有的画断面线,有的不画断面线。
4.4法国标准(NF)
视图表达方法与ISO国际标准基本一致,尺寸与我国基本一致。
4.5德国(主要指前联邦德国)标准(DIN)
视图表示方法与ISO国际标准基本相同。在以圆形投影的视图中,尺寸线上只有一个箭头,尺寸后添加Φ;如果有两个箭头,则不注明“Φ”。其他尺寸符号也可以理解。
4.6俄罗斯及其他独联体国家标准(ГОСТ)
视图的表达和维度与我国基本相同。
其他如:加拿大标准(CSA),波兰标准(PN)和ISO国家标准标准也类似。