电话:
13861269783
邮箱:
sl-yjb@cztpit.com
网站首页
关于我们
产品中心
设备检测
服装贸易
工艺百货
电子商务
案例中心
新闻中心
下载中心
联系我们
EN
EN
网站首页
关于我们
产品中心
设备检测
服装贸易
工艺百货
电子商务
案例中心
新闻中心
下载中心
联系我们
Copyright 2023-2024 © 常州思睿派谛检测科技有限公司
新闻中心
新闻中心
您的位置:
首页
>
新闻中心
新闻中心
新闻中心
您的位置:
首页
>
新闻中心
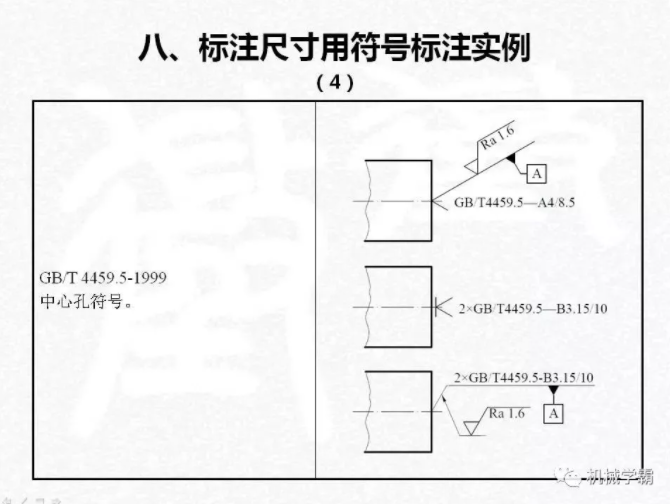
机械制图中常用符号的绘制方法及用法
更新时间:2022-09-26 浏览次数:835
上一篇:
国外机械图纸与国内机械图纸的区···
下一篇:
欧洲机械制图采用第一角度法,美···
如果你有什么疑问?
请与我们联系
提交
网站首页
关于我们
产品中心
案例中心
新闻中心
下载中心
联系我们
严先生
13861269783
邮箱
sl-yjb@cztpit.com
地址
江苏省常州市钟楼区通江南路58号
微信
主页
产品中心
电话
联系我们